ТП-А-4092
Доступен для скачивания
краткий каталог продукции:
Термопара предназначена для измерения температуры твердых тел (нагревательных плит, корпусов, поверхностей и т.д.) в различных технологических
процессах.
Прежнее название термопары ТП-А-4092: ТП-А-2488-5
Принцип действия и конструкция: Термопара представляет собой два термоэлектрода из различных металлов, спаянных между собой. При помещении одного спая (рабочего) в измеряемую среду вследствие разницы температур спаев по термоэлектродам протекает ЭДС, прямо пропорциональная разности этих температур.
Кабельный вывод обеспечивает удобство и быстроту монтажа, но ограничивает верхний предел измеряемых температур до +400°С.
Внимание! Максимальная температура места перехода «арматура-кабельный вывод» не более +300°С.
- Гильза с креплением на плоскость
- Кабельный вывод конструктивно усилен пружиной, защищающей провод от излома
– ПТНн-А;
– ПТНт-А;
– ПТНГт-А;
– ПТНЭ-А;
– ПТНГЭ-А;
| Полярность | ХА(К) | ХК (L) | ЖК (J) | НН (N) | ХКн (E) | МКн (Т) |
| «+» | красная жила
(хромель) | красная жила
(хромель) | красная жила
(железо) | красная жила
(нихросил) | красная жила
(хромель) | красная жила
(медь) |
| «−» | зеленая жила
(алюмель) | оранжевая жила
(копель) | синяя жила
(константан) | белая жила
(нисил) | черная жила
(константан) | коричневая жила
(константан) |
– средний срок службы — не менее 4 лет;
– гарантийный срок эксплуатации — 2 года.
Устойчивость к внешним механическим воздействиям по ГОСТ Р 52931-2008 — группа V2.
Рабочие условия эксплуатации места перехода «арматура-кабельный вывод»:
– помещения с нерегулируемыми климатическими условиями и (или) навесы;
– относительная влажность не более 95% при +35°С и более низких температурах без конденсации влаги;
– атмосферное давление от 84 до 106,7 кПа.
| Параметр | Значение | |||
| Номинальная статическая характеристика | ХА (К), ХК (L), ЖК (J) – стандарт
НН (N), ХКн (E), МКн (Т) – по заказу | |||
| Диапазон измеряемых температур | −40...+400°С
| |||
| Условное давление
| 2,5 МПа
| |||
| Класс допуска датчика
| 2
| |||
| Допустимое отклонение
| ±3°С
| |||
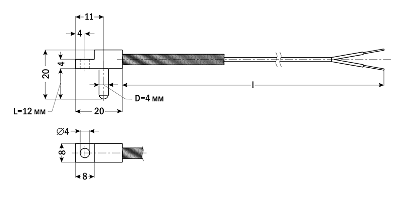
| Длина монтажной части (L)
| 12 мм
| |||
| Диаметр монтажной части (D) | 4 мм
| |||
| Длина кабельного вывода (l)
| 2000 мм – стандарт
до 50 000 мм – по заказу погрешность длины кабельного вывода ±3% | |||
| Тип спая
| неизолированный
| изолированный
| ||
| Тепловая инерция
| ≤ 10 с
| ≤ 20 с
| ||
| Материал корпуса датчика
| никелированная латунь
| |||
| Провод | ПТНГЭ-А, многожильный
| |||
| Сечение провода | 2×0,2 мм² | |||
| Наружные размеры провода | 2,5×3,5 мм | |||
| Степень защиты
| IP54
| |||
| Габаритные размеры |
![]() |
| Класс допуска | 1
| 2
| ||
| Тип | Диапазон измерения | Допустимые отклонения | Диапазон измерения | Допустимые
отклонения |
| ХА (К)
| −40...+375°С
| ±1,5°С
| −40...+333°С
| ±2,5°С
|
| +375...+1000°С
| ±0,004Т
| +333...+1300°С
| ±0,0075Т
| |
| ХК (L)
| – | – | −40...+360°С
| ±2,5°С
|
| – | – | +360...+800°С
| ±(0,7°С+0,005T)
| |
| ЖК (J)
| −40...+375°С
| ±1,5°С
| −40...+333°С
| ±2,5°С
|
| +375...+750°С
| ±0,004Т
| +333...+900°С
| ±0,0075Т
| |
| НН (N)
| −40...+375°С
| ±1,5°С
| −40...+333°С
| ±2,5°С
|
| +375...+1000°С
| ±0,004Т
| +333...+1300°С
| ±0,0075Т
| |
| ХКн (E)
| −40...+375°С
| ±1,5°С
| −40...+333°С
| ±2,5°С
|
| +375...+800°С
| ±0,004Т
| +333...+990°С
| ±0,0075Т
| |
| МКн (Т)
| −40...+125°С
| ±0,5°С
| −40...+135°С
| ±1,0°С
|
| +125...+350°С
| ±0,004Т
| +135...+350°С
| ±0,0075Т
| |
| ПП (S)
| 0...+1100°С
| ±1,0°С
| 0...+600°С
| ±1,5°С
|
| +1100...+1600°С
| ±(1,0+0,003(Т−1100))
| +600...+1600°С
| ±0,0025Т
| |
Т — абсолютное значение температуры измеряемой среды, °С.
