ШДГЭ-60
Доступен для скачивания
краткий каталог продукции:
Шаговый двигатель с энкодером ШДГЭ-60 предназначен для преобразования электрических импульсов в дискретные механические перемещения. Шаговые двигатели широко применяются в станках с ЧПУ (фрезерные, гравировальные станки, машины лазерной, плазменной или газовой резки металла), в роботах, конвейерах, системах подачи и т.д. Особенности:
-
Длительный срок службы, высокая износоустойчивость и безотказность работы благодаря отсутствию механически трущихся деталей или частей
-
Двигатель обеспечивает полный момент в режиме остановки
-
Возможность быстрого старта, остановки или реверсирования
- Совместимость с современными цифровыми устройствами
| Параметр | Значение |
| Угловой шаг
| 1,8° |
| Количество шагов на оборот | 200 |
| Разрешающая способность энкодера | 500 имп./об., 1000 имп./об.
|
| Количество фаз | 2 |
| Типоразмер NEMA | 24 |
| Фланец
| 60 мм |
| Количество проводов
| 4
|
| Модель | Крутящий момент на валу, Н·м | Номинальный ток, А/фаза | Номинальное сопротивление, Ом/фаза | Индуктивность, мГн/фаза | Момент инерции ротора, г·см² | Длина L, мм
|
| ШДГЭ-60.44,5-1/4 | 1
| 4 | 0,5
| 1,3
| 280
| 44,5
|
| ШДГЭ-60.54,5-1,56/4 | 1,56 | 4 | 0,6
| 1,8
| 450
| 54,5
|
| ШДГЭ-60.65,5-1,94/4 | 1,94
| 4 | 0,72
| 2,6
| 560
| 65,5
|
| ШДГЭ-60.85,5-3,1/4 | 3,1
| 4 | 0,93
| 3,5
| 900
| 85,5
|
| ШДГЭ-60.101,5-3,6/4 | 3,6
| 4 | 1,07
| 3,95
| 1130
| 101,5 |
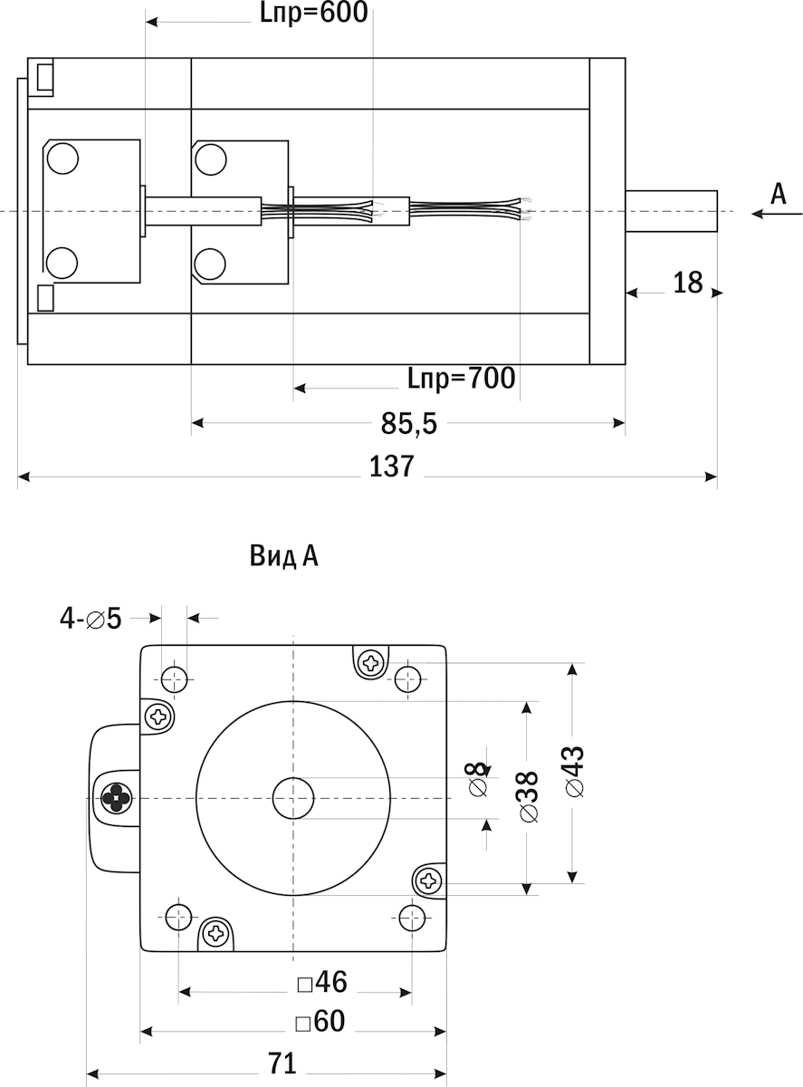
| Габаритные размеры |
|
Версия: 2025-05-28-СДГ