ШДГТ-86
Доступен для скачивания
краткий каталог продукции:
Шаговый двигатель с тормозом ШДГТ-86 предназначен для преобразования электрических импульсов в дискретные механические перемещения. Шаговые двигатели широко применяются в станках с ЧПУ (фрезерные, гравировальные станки, машины лазерной, плазменной или газовой резки металла), в роботах, конвейерах, системах подачи и т.д. Особенности:
- Высокая точность позиционирования без необходимости в обратной связи
- Длительный срок службы, высокая износоустойчивость и безотказность работы благодаря отсутствию механически трущихся деталей или частей
- Двигатель обеспечивает полный момент в режиме остановки
- Возможность быстрого старта, остановки или реверсирования
- Совместимость с современными цифровыми устройствами
| Параметр | Значение |
| Угловой шаг
| 1,8° |
| Количество шагов на оборот | 200 |
| Питание электромагнитного тормоза
| =24 В
|
| Количество фаз | 2 |
| Типоразмер NEMA | 34 |
| Фланец
| 86 мм |
| Количество проводов
| 4
|
| Модель | Крутящий момент на валу, Н·м | Номинальный ток, А/фаза | Номинальное сопротивление, Ом/фаза | Индуктивность, мГн/фаза | Момент инерции ротора, г·см² | Длина L, мм
|
| ШДГТ-86.67,5-3,04/6 | 3,04
| 6
| 0,3
| 2,4
| 1300
| 67,5
|
| ШДГТ-86.96-6,08/6 | 6,08
| 6 | 0,46
| 4,7
| 2500
| 96
|
| ШДГТ-86.119,5-8/6 | 8
| 6 | 0,62
| 7
| 3700
| 119,5
|
| ШДГТ-86.126-9,2/6 | 9,2
| 6 | 0,65
| 6,4
| 3900
| 126
|
| ШДГТ-86.156-12/6 | 12
| 6 | 0,85
| 10,1
| 5600
| 156
|
| ШДГТ-86.79,5-4/6 | 4
| 6 | 1,6
| 15,2
| 1850
| 79,5
|
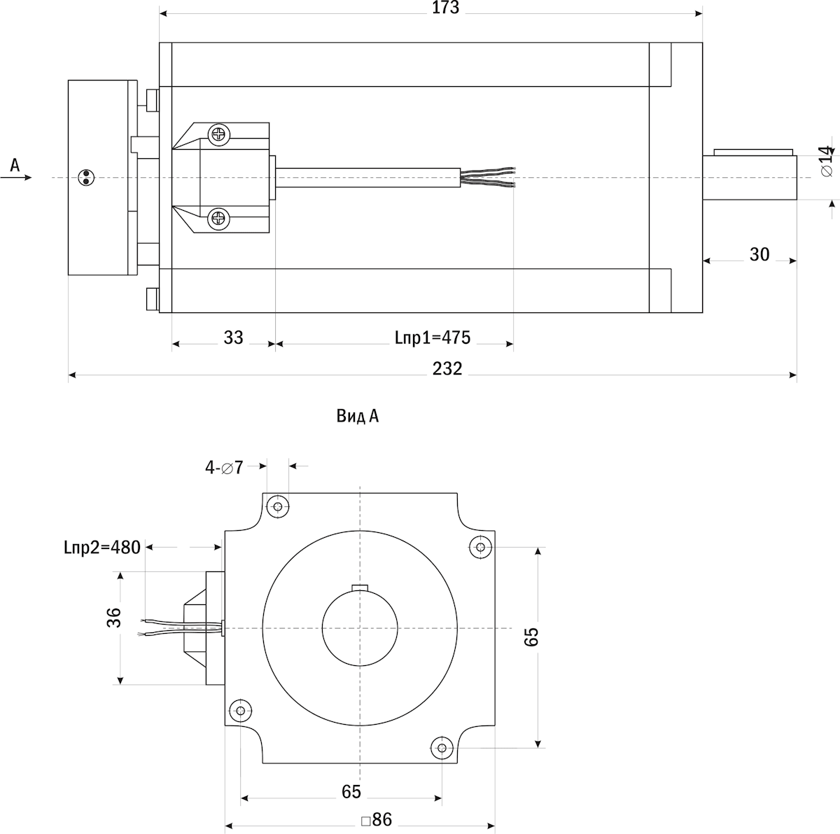
| Габаритные размеры |
|
Версия: 2025-05-28-СДГ