ПТВЛ-2101
Доступен для скачивания
краткий каталог продукции:
Преобразователь температуры и влажности ПТВЛ-2101 предназначен для непрерывного измерения относительной влажности и температуры неагрессивного газа и передачи измеренных значений по интерфейсу RS-485 (Modbus RTU).
Приборы могут применяться в системах автоматического контроля, регулирования и управления технологическими процессами в различных отраслях промышленности, а также в сельском, коммунальном хозяйстве и т.д.
Приборы могут применяться в системах автоматического контроля, регулирования и управления технологическими процессами в различных отраслях промышленности, а также в сельском, коммунальном хозяйстве и т.д.
Рекомендуется использование совместно с табло, панелями оператора, Modbus-индикаторами или ПЛК, например, ВЕХА, ОВЕН СМИ2-М, ОВЕН СМИ, ОВЕН ИПП120, ОВЕН ПЛК73, ОВЕН ПЛК100.
Для подключения к компьютеру по USB используется преобразователь интерфейсов, например, ARC-485.
Для подключения к компьютеру по USB используется преобразователь интерфейсов, например, ARC-485.
По умолчанию преобразователь использует следующие настройки: адрес 1, скорость передачи данных 9600 бит/с, 8 бит данных, 1 стоп-бит, контроль четности выкл
Особенности
- Преобразователь полностью откалиброван и линеаризован
- Температурная компенсация
- Высокая точность измерения температуры и влажности
- Широкий диапазон питания
- Защита от короткого замыкания, перенапряжения, перегрузки по току и обратной полярности подключения питания
- Настраиваемые адрес и скорость передачи данных
- Сохранение настроек при отключении питания
- Кнопка сброса настроек
- Светодиодный индикатор питания
Технические характеристики:
| Параметр | Значение |
| Диапазон измеряемых температур
| −40...+80°С
|
| Диапазон измеряемой влажности
| 0...85%RH
|
| Погрешность измерения температуры
| ±0,2°С
|
| Погрешность измерения влажности | ±2%RH |
| Дискретность измерения | 0,01 |
| Скорость измерения | 50 изм./с |
| Пылевлагозащита | IP30 |
| Тип чипа датчика | SHT30 |
| Среда | воздух, неагрессивные газы
|
| Выходной сигнал | RS-485, Modbus RTU
|
| Скорость передачи данных по умолчанию | 4800...256 000 бит/с
(9600 бит/с по умолчанию) |
| Длина линии связи | ≤ 1200 м |
| Питание | =5...36 В |
| Потребляемая мощность
| < 100 мВт
|
| Монтаж | настенный, на DIN-рейку |
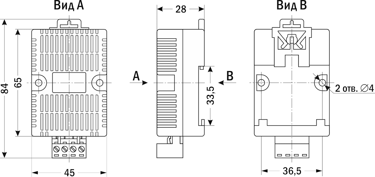
| Габаритные размеры | 84×45×28 мм |
| Вес | 44 г |
| Габаритные размеры |
![]() |
Версия: 2023-06-12-КВА
| Документ | Дата обновления |
| Паспорт на ПТВЛ-2101 | 21.06.2023 |
