ТП-А-4401

Доступен для скачивания
краткий каталог продукции:

ТП-А-4401
Цена:  468 руб.

Термопара предназначена для измерения температуры жидких и газообразных сред, неагрессивных к материалу корпуса датчика, а также твердых тел — нагревательных поверхностей и плит, нагревательных элементов и т.д.

Прежнее название термопары ТП-А-4401: ТП-А-2488-1

Принцип действия и конструкция: Термопара представляет собой два термоэлектрода из различных металлов, спаянных между собой. При помещении одного спая (рабочего) в измеряемую среду вследствие разницы температур спаев по термоэлектродам протекает ЭДС, прямо пропорциональная разности этих температур.
Кабельный вывод обеспечивает удобство и быстроту монтажа, но ограничивает верхний предел измеряемых температур до +400°С.
Внимание! Максимальная температура места перехода «арматура-кабельный вывод» не более +300°С.

Особенности:
  • Термопара надежно работает в условиях повышенной вибрации. Как правило, используется для контроля температуры экструдеров при производстве пластмасс и резиновых смесей
  • Благодаря байонетному разъему термопара может легко и быстро подключаться к оборудованию (монтаж и демонтаж без инструмента)
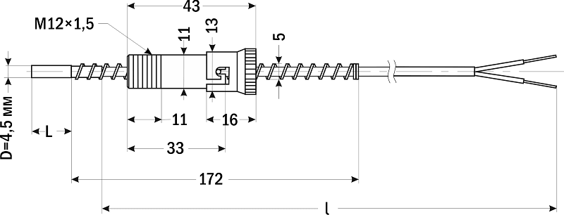
  • Стандартная метрическая резьба М12×1,5 на ответной части байонета позволяет легко монтировать термопару в стандартное резьбовое отверстие в объекте измерения температуры
  • Колпачок байонета под пружину ∅ 5 мм можно перемещать по пружине вращением, таким образом регулируется установочная длина термопары
  • Пружина из нержавеющей стали защищает провод от излома и обеспечивает более плотное прилегание монтажной части к объекту измерения
  • Термопара является неполным аналогом дТП234
Монтаж:Для соединения термопар с измерительными приборами используются компенсационные провода, например:
– ПТН-А;
– ПТНн-А;
– ПТНт-А;
– ПТНГт-А;
– ПТНЭ-А;
– ПТНГЭ-А;
– ПТНЭк-А;
– ПТНГЭк-А.
При подключении проводов необходимо соблюдать полярность
ПолярностьХА(К)ХК (L)
ЖК (J)
НН (N)
ХКн (E)
МКн (Т)
«+»красная жила
(хромель)
красная жила
(хромель)
красная жила
(железо)
красная жила
(нихросил)
красная жила
(хромель)
красная жила
(медь)
«−»зеленая жила
(алюмель)
оранжевая жила
(копель)
синяя жила
(константан)
белая жила
(нисил)
черная жила
(константан)
коричневая жила
(константан)
Показатели надежности и условия эксплуатации:– вероятность безотказной работы — не менее 0,95 за 16 000 ч;
– средний срок службы — не менее 4 лет;
– гарантийный срок эксплуатации — 2 года.
Устойчивость к внешним механическим воздействиям по ГОСТ Р 52931-2008 — группа N2.
Рабочие условия эксплуатации места перехода «арматура-кабельный вывод»:
– помещения с нерегулируемыми климатическими условиями и (или) навесы;
– относительная влажность не более 95% при +35°С и более низких температурах без конденсации влаги;
– атмосферное давление от 84 до 106,7 кПа.
Технические характеристики:
ПараметрЗначение
Номинальная статическая характеристикаХА (К), ЖК (J) – стандарт
ХК (L), НН (N), ХКн (E), МКн (Т) – по заказу
Диапазон измеряемых температур−40...+400°С
Условное давление
2,0 МПа
Класс допуска датчика
2
Допустимое отклонение
±3°С
Длина монтажной части (L)
10 мм, 13 мм – стандарт,
20 мм, 30 мм, 40 мм, 50 мм, 60 мм, 70 мм, 80 мм, 90 мм, 100 мм – по заказу
Диаметр монтажной части (D) 4,5 мм
Присоединениебайонет М12×1,5
Длина кабельного вывода (l)
2000 мм – стандарт
до 50 000 мм – по заказу
погрешность длины кабельного вывода ±3%
Тип спая
неизолированный
Тепловая инерция
≤ 10 с
Материал корпуса датчика
нержавеющая сталь
ПроводПТНЭ-А, одножильный
Сечение провода2×0,2 мм²
Наружные размеры провода2×3 мм
Степень защиты
IP54

Габаритные размеры

Предельные допустимые отклонения согласно ГОСТ Р 8.585-2001 (справочная таблица):
Класс допуска1
2
ТипДиапазон измерения Допустимые отклоненияДиапазон измеренияДопустимые
отклонения
ХА (К)
−40...+375°С
±1,5°С
−40...+333°С
±2,5°С
+375...+1000°С
±0,004Т
+333...+1300°С
±0,0075Т
ХК (L)
−40...+360°С
±2,5°С
+360...+800°С
±(0,7°С+0,005T)
ЖК (J)
−40...+375°С
±1,5°С
−40...+333°С
±2,5°С
+375...+750°С
±0,004Т
+333...+900°С
±0,0075Т
НН (N)
−40...+375°С
±1,5°С
−40...+333°С
±2,5°С
+375...+1000°С
±0,004Т
+333...+1300°С
±0,0075Т
ХКн (E)
−40...+375°С
±1,5°С
−40...+333°С
±2,5°С
+375...+800°С
±0,004Т
+333...+990°С
±0,0075Т
МКн (Т)
−40...+125°С
±0,5°С
−40...+135°С
±1,0°С
+125...+350°С
±0,004Т
+135...+350°С
±0,0075Т
ПП (S)
0...+1100°С
±1,0°С
0...+600°С
±1,5°С
+1100...+1600°С
±(1,0+0,003(Т−1100))
+600...+1600°С
±0,0025Т
Диапазон измеряемых температур зависит от конструктивного исполнения датчика и материала защитной арматуры.
Т — абсолютное значение температуры измеряемой среды, °С.

Версия: 2022-02-07-ЛВС
Документ Дата обновления
Декларация о соответствии приборов для измерения и контроля 29.06.2016