ДР-ТП
Доступен для скачивания
краткий каталог продукции:
Погружной термостат ДР-ТП с переключающим контактом предназначен для регулирования температуры жидких и газообразных сред, неагрессивных к материалу погружной гильзы. Термостат может использоваться для управления исполнительными устройствами (калориферами, приборами нагрева, теплообменниками, вентиляторами и т.д.), а также для включения сигнальных устройств.
Принцип работы основан на свойстве объемного темпера турного расширения. В медной погружной гильзе находится термочувствительный баллон. Жидкость, находящаяся в баллоне термостата, нагревается, расширяется, и через капиллярную трубку избыточный объем переходит в сильфон. Сильфон удлиняется и передает усилие на контактную группу, замыкается группа контактов, работающая на охлаждение. Когда температура среды понижается, жидкость в баллоне термостата остывает, сильфон уменьшается, давление с контакта пропадает, замыкается другая группа контактов, работающая на нагрев. Таким образом осуществляется автоматическое поддержание заданной температуры в системе.Особенности:
Принцип работы основан на свойстве объемного темпера турного расширения. В медной погружной гильзе находится термочувствительный баллон. Жидкость, находящаяся в баллоне термостата, нагревается, расширяется, и через капиллярную трубку избыточный объем переходит в сильфон. Сильфон удлиняется и передает усилие на контактную группу, замыкается группа контактов, работающая на охлаждение. Когда температура среды понижается, жидкость в баллоне термостата остывает, сильфон уменьшается, давление с контакта пропадает, замыкается другая группа контактов, работающая на нагрев. Таким образом осуществляется автоматическое поддержание заданной температуры в системе.Особенности:
- Установка температуры при помощи поворотной шкалы
- Не требует питания
-
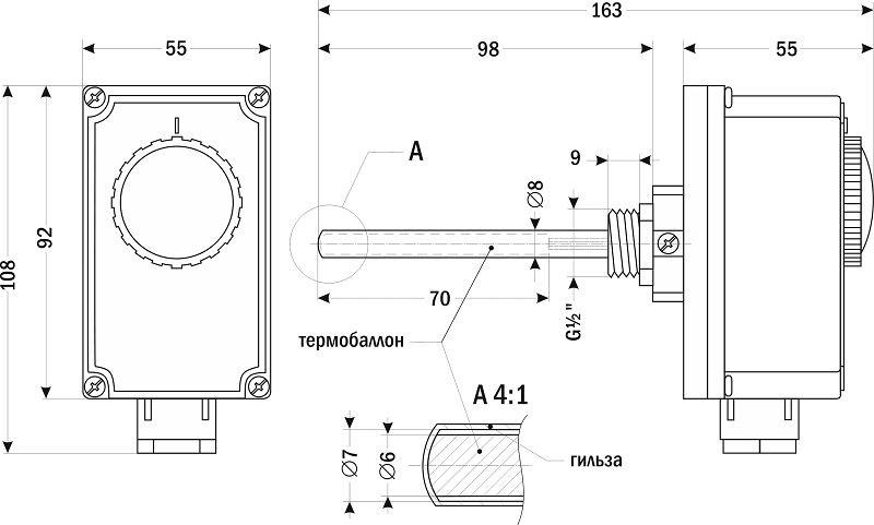
Штуцер со стандартной дюймовой резьбой G½" позволяет легко монтировать термостат в стандартное резьбовое отверстие в объекте измерения температуры, а также использовать стандартные и широко распространенные футорки (например, VTR.581.N) для перехода на остальные размеры резьбы
- Погружная гильза при износе должна быть заменена. Возможна замена на гильзы ГЗ-Н, ГЗЖ-Н подходящей длины, внутреннего диаметра и внешней резьбы
| Параметр
| ДР-ТП-90 | ДР-ТП-110 | |
| Диапазон регулирования температур | 0...+90°С | +30...+110°С | |
| Дифференциал
| ±6°С
| ||
| Коммутационная способность реле
| ~16 (2,5*) А, 220 В (нагрев)
~4 (0,5*) А, 220 В (охлаждение) | ||
| Механическая износостойкость | ≥ 105 циклов | ||
| Скорость изменения температуры
| < 1°С/мин | ||
| Максимальная температура корпуса
| +80°С | ||
| Максимальная температура баллона
| +125°С | ||
| Максимальное давление на гильзу
| 1 МПа
| ||
| Материал погружной гильзы | Медь | ||
| Присоединение | Штуцер G½" (латунь)
| ||
| Степень защиты | IP43
| ||
| Габаритные размеры
| 108×55×163 мм | ||
| Вес
| 200 г
| ||
* для индуктивной нагрузки
| Габаритные размеры |
![]() |
Версия: 2021-03-17-КВА
| Документ | Дата обновления |
| Методика настройки термостатов ДР-ТП | 18.03.2021 |
| Декларация о соответствии приборов для измерения и контроля | 29.06.2016 |
| Паспорт на ДР-ТП | 11.10.2022 |
