AR-LMF6-3008NC, AR-LMF6-3008PC
Доступен для скачивания
краткий каталог продукции:
Индуктивный бесконтактный датчик AR-LMF6-3008 применяется в качестве конечного выключателя, датчика положения, датчика оборотов и количества продукции в автоматических линиях, станках и т. п., а также для мониторинга промежуточных или конечных положений металлических частей, узлов и механизмов.
Датчик реагирует на приближение металлического предмета (объекта) к его чувствительной части, которая расположена в торцевой части корпуса.
Особенности: -
Реагирует только на металлические объекты
-
Отсутствие механического контакта с объектом увеличивает ресурс работы, повышает степень надежности оборудования
-
Высокая частота переключения позволяет применять датчики в качестве первичных датчиков скорости в комплексе со счетчиками импульсов и тахометрами
-
Нечувствительность к диэлектрикам – обладает высокой защищенностью от помех (рук оператора, эмульсии, воды, смазки и т.д.)
-
Индикатор срабатывания
-
Установка на плоскость, компактный размер корпуса позволяют использовать датчик в условиях ограниченного пространства, а также в случаях, если применение датчиков цилиндрической формы невозможно
-
Датчики могут применяться для управления релейными модулями МР85
-
Для питания датчиков используются Блоки питания
| Параметр | Значение
|
| Расстояние срабатывания | 8 мм |
| Схема подключения | 4-проводная, NPN или PNP |
| Типы выходных устройств
| Транзисторный ключ NPN или PNP
|
| Контакт | НО+НЗ |
| Максимальный ток нагрузки
| 200 мА |
| Максимальная частота переключения | 200 Гц |
| Диапазон рабочих температур | −20...+70°С |
| Питание | =6...36 В
|
| Степень пылевлагозащиты | IP67 |
| Длина провода
| 1,95 м
погрешность длины провода ±3% |
| Материал корпуса | Поликарбонат |
| Материал активной части | Поликарбонат |
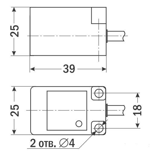
| Габаритные размеры | 25×25×39 мм |
| Вес | 85 г |
| Модель
| Тип
| Контакт |
| AR-LMF6-3008NC
| NPN
| НО+НЗ |
| AR-LMF6-3008PC
| PNP
| НО+НЗ |
| Габаритные размеры
|
![]() |
| Документ | Дата обновления |
| Паспорт на AR-LMF6 | 18.02.2025 |
| Сертификат соответствия | 20.01.2013 |
